〈701〉 DISINTEGRATION
If you find any inaccurate information, please let us know by providing your feedback here

Tóm tắt nội dung
- APPARATUS
- PROCEDURE ▲◆AND CRITERIA
- Procedure and Criteria for▲(USP 1-Aug-2019) Uncoated or Plain-Coated▲(USP 1-Aug-2019) Tablets
- PROCEDURE FOR UNCOATED OR PLAIN-COATED TABLETS▲(USP 1-Aug-2019)
- CRITERIA FOR UNCOATED OR PLAIN-COATED TABLETS
- Procedure and Criteria for Delayed-Release Tablets and Capsules (tablets or capsules that are formulated with acid-resistant or enteric coatings)
This article is compiled based on the United States Pharmacopeia (USP) – 2025 Edition
Issued and maintained by the United States Pharmacopeial Convention (USP)
Change to read:
This general chapter is harmonized with the corresponding texts of the European Pharmacopoeia and/or the Japanese Pharmacopoeia. The texts of these pharmacopeias are therefore interchangeable, and the methods of the European Pharmacopoeia and/or the Japanese Pharmacopoeia may be used for demonstration of compliance instead of the present general chapter. These pharmacopeias have undertaken not to make any unilateral change to this harmonized chapter.
Portions of the present general chapter text that are national USP text, and therefore not part of the harmonized text, are marked with symbols (◆♦) to specify this fact.
This test is provided to determine whether tablets, capsules, ▲◆or granules ♦▲(USP 1-Aug-2019) disintegrate within the prescribed time when placed in a liquid medium at the experimental conditions presented below. Compliance with the limits on Disintegration stated in the individual monographs is required. ▲▲(USP 1-Aug-2019) Determine the type of units under test from the labeling and from observation, and apply the appropriate procedure to 6 or more dosage units.♦
For the purposes of this test, disintegration does not imply complete solution of the unit or even of its active constituent. Complete disintegration is defined as that state in which any residue of the unit, except fragments of insoluble coating or capsule shell, remaining on the screen of the test apparatus or adhering to the lower surface of the disk, if used, is a soft mass having no palpably firm core.
Change to read:
1 APPARATUS
The apparatus consists of a basket-rack assembly, a 1000-mL low-form beaker 138-160 mm in height and having an inside diameter of 97-115 mm for the immersion fluid, a thermostatic arrangement for heating the fluid 35°-39°, and a device for raising and lowering the basket in the immersion fluid at a constant frequency rate 29-32 cycles/min through a distance of NLT 53 mm and NMT 57 mm. The volume of the fluid in the vessel is such that at the highest point of the upward stroke, the wire mesh remains at least 15 mm below the surface of the fluid and descends to NLT 25 mm from the bottom of the vessel on the downward stroke. At no time should the top of the basket-rack assembly become submerged. The time required for the upward stroke is equal to the time required for the downward stroke, and the change in stroke direction is a smooth transition, rather than an abrupt reversal of motion. The basket-rack assembly moves vertically along its axis. There is no appreciable horizontal motion or movement of the axis from the vertical.
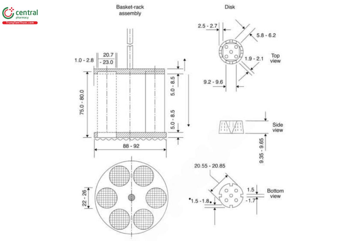
1.1 Basket-Rack Assembly
The basket-rack assembly consists of 6 open-ended transparent tubes, each ▲75.0-80.0 ▲(USP 1-Aug-2019) mm long and having an inside diameter of 20.7-23 mm and a wall 1.0-2.8 mm thick; the tubes are held in a vertical position by two plates, each 88-92 mm in diameter and 5-8.5 mm in thickness, with 6 holes, each 22-26 mm in diameter, equidistant from the center of the plate and equally spaced from one another. Attached to the under surface of the lower plate is a woven stainless steel wire cloth, which has a plain square weave with 1.8-2.2-mm apertures and with a wire diameter of 0.57-0.66 mm. The parts of the apparatus are assembled and rigidly held by means of 3 bolts passing through the 2 plates. A suitable means is provided to suspend the basket-rack assembly from the raising and lowering device using a point on its axis.
The design of the basket-rack assembly may be varied somewhat, provided the specifications for the glass tubes and the screen mesh size are maintained. The basket-rack assembly conforms to the dimensions found in Eigure 1.
1.2 Disks
The use of disks is permitted only where specified or allowed in the monograph. If specified ◆in the individual monograph, each tube is provided with a cylindrical disk ▲9.35-9.65▲(USP 1-Aug-2019) mm thick and ▲20.55-20.85▲(USP 1-Aug-2019) mm in diameter. The disk is made of a suitable transparent plastic material having a specific gravity of 1.18-1.20. Five parallel ▲1.9-2.1▲(USP 1-Aug-2019) -mm holes extend between the ends of the cylinder. One of the holes is centered on the cylindrical axis. The other holes are ▲parallel to the cylindrical axis and▲(USP 1-Aug-2019) centered ▲5.8-6.2▲(USP 1-Aug-2019) mm from the axis on imaginary lines perpendicular to the axis and ▲▲(USP 1-Aug-2019) to each other. Four identical trapezoidal-shaped planes are cut into the wall of the cylinder, nearly perpendicular to the ends of the cylinder. The trapezoidal shape is symmetrical; its parallel sides coincide with the ends of the cylinder and are parallel to an imaginary line connecting the centers of two adjacent holes 6 mm from the cylindrical axis. The parallel side of the trapezoid on the bottom of the cylinder has a length of ▲1.5-1.7▲(USP 1-Aug-2019) mm, and its bottom edges lie at a depth of 1.5-1.8 mm from the cylinder's circumference. The parallel side of the trapezoid on the top of the cylinder has a length ▲9.2-9.6 ▲(USP 1-Aug-2019) mm, and its center lies at a depth ▲2.5-2.7▲(USP 1-Aug-2019) mm from the cylinder's circumference. All surfaces of the disk are smooth. If the use of disks is specified ◆in the individual monograph,♦ add a disk to each tube, and operate the apparatus as directed under Procedure. The disks conform to dimensions found in
Figure 1.1▲

▲(USP 1-May-2020)
Change to read:
2 PROCEDURE ▲◆AND CRITERIA
2.1 Procedure and Criteria for▲(USP 1-Aug-2019) Uncoated or Plain-Coated▲(USP 1-Aug-2019) Tablets
2.1.1 PROCEDURE FOR UNCOATED OR PLAIN-COATED TABLETS▲(USP 1-Aug-2019)
Place 1 dosage unit in each of the 6 tubes of the basket▲◆-rack assembly♦▲(USP 1-Aug-2019) and, if prescribed, add a disk. Operate the apparatus, using ◆water or♦ the specified medium as the immersion fluid, maintained at 37 ± 2°. At the end of the time limit specified ◆in the monograph,♦ lift the basket▲◆-rack assembly♦▲(USP 1-Aug-2019) from the fluid, and observe the tablets. All of the tablets ▲◆should♦▲(USP 1-Aug-2019) have disintegrated completely. If 1 or 2 tablets fail to disintegrate completely, repeat the test on 12 additional tablets.
2.1.2 CRITERIA FOR UNCOATED OR PLAIN-COATED TABLETS
1. If 6 tablets are tested, all 6 of the tablets are disintegrated.
2. If 18 tablets are tested, the requirement is met if not fewer than 16 of the total of 18 tablets are disintegrated (USP 1-Aug-2019)
2.2 Procedure and Criteria for Delayed-Release Tablets and Capsules (tablets or capsules that are formulated with acid-resistant or enteric coatings)
2.2.1 PROCEDURE FOR DELAYED-RELEASE TABLETS AND CAPSULES (USP 1-Aux-2019)
Place 1 ▲dosage unit▲(USP 1-Aug-2019) in each of the 6 tubes of the basket. If the dosage units are not sugar-coated, proceed to the Acid stage. If testing tablets that have a soluble external sugar coating, immerse the basket in water at room temperature for 5 min and then immediately proceed to the Acid stage. If specified in the monograph, add 1 disk to each tube.
Acid stage
Immersion fluid: 0.1 M hydrochloric acid, or simulated gastric fluid TS, or as specified in the monograph
Temperature: 37 ± 2°
Time: 1 h
If after 1 h no dosage unit shows evidence of disintegration, cracking, or softening, proceed with the Buffer stage.
Buffer stage
Immersion fluid: pH 6.8 phosphate buffer, or simulated intestinal fluid TS, or as specified in the monograph.
Temperature: 37 ± 2°
Time: As specified in the individual monograph
2.2.2 CRITERIA FOR DELAYED-RELEASE TABLETS AND CAPSULES
Acid stage: No dosage unit shows evidence of disintegration, cracking, or softening..
Buffer stage: Apply the Criteria for Uncoated or Plain-Coated Tablets.
2.3 Procedure and Criteria for Buccal Tablets, Sublingual Tablets, Capsules, Tablets for Oral Suspension, Tablets for Oral Solution, Tablets for Topical Solution, Orally Disintegrating Tablets, and Chewable Tablets
Apply the Procedure and Criteria for Uncoated or Plain-Coated Tablets.
2.4 Procedure and Criteria for Effervescent Tablets for Oral Solution
2.4.1 PROCEDURE FOR EFFERVESCENT TABLETS FOR ORAL SOLUTION
Place 1 tablet in each of 6 beakers containing 200 ml of water. A suitable beaker will have a nominal volume of 250-400 mL
Time: 5 min or as specified in the individual monograph
2.4.2 CRITERIA FOR EFFERVESCENT TABLETS FOR ORAL SOLUTION
Numerous bubbles of gas are evolved. After 5 min or as specified in the individual monograph, the evolution of gas around each tablet or its fragments has ceased. Each tablet has dissolved or disintegrated and has been dispersed in the water so that no appreciable agglomerates remain.
2.5 Procedure and Criteria for Effervescent Granules
2.5.1 PROCEDURE FOR EFFERVESCENT GRANULES
In each of 6 beakers containing 200 mL of water place 1 dose of the effervescent granules. A suitable beaker will have a nominal volume of 250-400 mL
Time: 5 min or as specified in the individual monograph
2.5.2 CRITERIA FOR EFFERVESCENT GRANULES
Numerous bubbles of gas are evolved. After 5 min or as specified in the individual monograph, the evolution of gas around the granules in each beaker has ceased. The granules have dissolved or disintegrated and have been dispersed in the water.▲(USP 1-Aug-2019)♦
1The use of automatic detection employing modified disks is permitted where the use of disks is specified or allowed. Such disks must comply with the requirements for density and dimension given in this chapter.

